
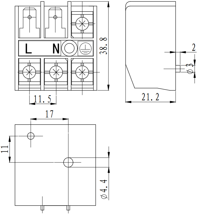
JXO-B6D
- 产品型号:JXO-B6D
- 额 定 值:600V/30A
- 适用电线:0.5-4.0m㎡
- 材 质:PBT
源头厂家
规格齐全
可按需打样定制
产品参数
| 额定值 Rating | 600V/30A |
| 适用电线 Applicable wire | 0.5-4.0mm2 |
| 连接方式 Connection mode | 250# M4 |
| 基体材质 Base material | PBT |
联系金龙
联系电话:0577-62927777
公司邮箱: jl@cn-jinlong.com
公司地址: 浙江省乐清市北白象镇温州大桥工业园区珠江路77号
扫码咨询
推荐产品MORE
相关资讯MORE
用户评论
我要评论












